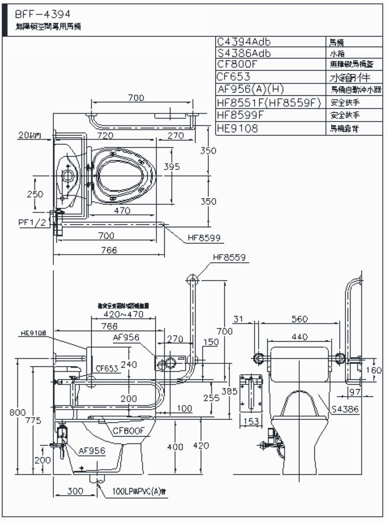
BFF-4394

編號 155-94
單位 待修改
價格 57900
供應商 和成欣業股份有限公司
產品所在地 台灣
產地 台灣
規格 700x395x385mm
用途 衛浴設備
標章

產品資訊

產品規格

馬桶尺寸:700x395x385mm
水箱尺寸:440x178x368mm
牆壁至排水管中心:300mm
沖水量:6L
沖水方式:虹吸式
另有CS4396Adb排水管距:400mm
色樣:AW、AI
符合建築物無障礙設施設計規範

尋找相關產品